Anasayfa
Kurumsal
Ürünler
İletişim
Anasayfa
Kurumsal
Ürünler
İletişim
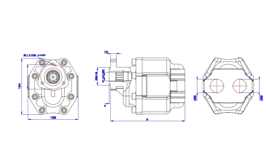
110 Litre UNI Çiftyön 4 Port Akuple Dişli Pompa
Teknik Detaylar
Ürün Kodu
Z-Q-6110-UNI-4X
Deplasman
110 Litre
Sürekli Basınç Aralığı
220 Bar (Max.)
Test / Pik Basıncı
260 Bar (Max.)
Maksimum Sürekli Çalışma Hızı (Devir/Dakika)
2500 Devir/Dakika
Minimum Çalışma Hızı (Devir/Dakika)
400 Devir/Dakika
Ağırlık
15,00 Kg.
Çalışma Sıcaklık Aralığı
-15°C / +100°C
Dönüş Yönü
Çift Yön
Dökümanlar
SERIE DE 35 UNI CONN. 4PORT BiDirectionel. SERİSİ ÇİFTYÖN 4 PORT UNİ
PDF • İndir